Arduino Uno Pinout Gpio - Arduino Uno Gpio Pinout Circuit Boards / This article is a guide for the esp8266 gpios:

Arduino Uno Pinout Gpio - Arduino Uno Gpio Pinout Circuit Boards / This article is a guide for the esp8266 gpios:. Due to its size, the board is often used in projects where compactness is important. This is an a rduino uno. This is not as straightforward as connecting a wire as the arduino gpio are 5v and the pi gpio are 3v3. Front and back view of arduino nano board. As mentioned in the last section, arduino uno has fourteen digital i/o pins.

But the arduino development system needs to be told how to relate the arduino friendly pin names to the gpio pin numbers. Also included is the complete schematic diagram of the arduino uno revision 3. The esp32 has two i2c channels and any pin can be set as sda or scl. And have you thought about the possibility of 16 new gpios that can be controlled using the i2c bus? Maximum current per +3.3v pin is 50ma.

Arduino Due Arduino Official Store
Arduino Due Arduino Official Store from content.arduino.cc
But the arduino development system needs to be told how to relate the arduino friendly pin names to the gpio pin numbers. Manuals data sheets diagram and pinouts 14core com. Breadboard and wires to connect the icsp pins of the avr/arduino to gpio pins on the raspberry pi. Micro, nano, mega, leonardo, 101. The nano board weighs around 7 grams with dimensions of 4.5 cms to 1.8 cms (l to b). Not all gpios are exposed in all esp8266 development boards, some gpios are not recommended to use, and others have very specific functions. There are a couple ways to do this: But in arduino uno board pc6 is used for ~reset (reset pin).

An avr chip & development board or an arduino board that exposes the icsp pins (like an arduino uno).

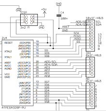
Arduino uno board has analog/digital (pwm) pins. In arduio uno board we can use all the 8 pins effectively. These pins could be gpio or using for specific signals. Breadboard and wires to connect the icsp pins of the avr/arduino to gpio pins on the raspberry pi. The pins are not 5v tolerant, applying more than 3.6v on any pin will kill the chip. I will explain the description of the arduino uno pins and the board in the post. Arduino pin 2 is not the same pin location on the header on a wemos board. Diy arduino mega 2560 episode 01 pin maps hd youtube. As of arduino 1.0.1, it is possible to enable the internal pullup resistors with the mode input_pullup. You can use arduino or any usb to ttl serial converter to program it. Which gpio pins should you use? Let us look into the schematics of arduino uno and see how the pins are mapped. I have an arduino uno with an adafruit audio shield.

Connect an arduino gpio to a pi gpio. I will explain the description of the arduino uno pins and the board in the post. Micro, nano, mega, leonardo, 101. Your email address will not be published. There are a couple ways to do this:

Esp8266 Pinout Reference Which Gpio Pins Should You Use Random Nerd Tutorials
Esp8266 Pinout Reference Which Gpio Pins Should You Use Random Nerd Tutorials from i1.wp.com
The nano board weighs around 7 grams with dimensions of 4.5 cms to 1.8 cms (l to b). Pinout diagrams, their functions and how to use them. Arduino uno pinout / pin mapping [total: We can use all these pins either as digital input pins or digital output pins. In an arduino type product, you have even more gpio pins. Just like a normal arduino, the esp8266 has digital input/output pins (i/o or gpio, general purpose input/output pins). Also included is the complete schematic diagram of the arduino uno revision 3. Despite the size, arduino nano packs in more or less the same features as uno.

Connect the arduino and pi grounds (i.e.

Io expander for esp32, esp8266, and arduino: I need for the d1 to know when a file is playing. These digital input/outputs operate at 3.3v. When using the esp32 with the arduino ide, the default i2c pins are: Arduino uno pinout / pin mapping [total: And have you thought about the possibility of 16 new gpios that can be controlled using the i2c bus? Arduino nano v3nano is one of the smallest arduino boards. Would you like to expand the ios of your esp32, esp8266, or arduino? Arduino arduino uno r3 board arduino. In an arduino type product, you have even more gpio pins. Esp32 pwm with arduino ide. Pinout diagrams, their functions and how to use them. We saw that arduino boards are programmed using a language derived from c and c++ in arduino's integrated development environment (ide) and learned a few basic debugging methods.in this post, we'll be taking a closer look at the arduino hardware, and more specifically, the arduino uno pinout.

Manuals data sheets diagram and pinouts 14core com. We saw that arduino boards are programmed using a language derived from c and c++ in arduino's integrated development environment (ide) and learned a few basic debugging methods.in this post, we'll be taking a closer look at the arduino hardware, and more specifically, the arduino uno pinout. These digital input/outputs operate at 3.3v. I will explain the description of the arduino uno pins and the board in the post. Let's discuss each pin in detail.

Which Pins Should I Take For I2c On Arduino Uno Stack Overflow
Which Pins Should I Take For I2c On Arduino Uno Stack Overflow from i.stack.imgur.com
I've got working only 2 pins. An avr chip & development board or an arduino board that exposes the icsp pins (like an arduino uno). This arduino uno pinout diagram reference will hopefully help you get the most out of this board. I have a gpio pin on the uno programmed to be high when a file is playing. We saw that arduino boards are programmed using a language derived from c and c++ in arduino's integrated development environment (ide) and learned a few basic debugging methods.in this post, we'll be taking a closer look at the arduino hardware, and more specifically, the arduino uno pinout. Would you like to expand the ios of your esp32, esp8266, or arduino? Connect a wire between an arduino ground pin and a pi ground pin). We can use a 9v battery cell for the input supply voltage.

I've got working only 2 pins.

In arduio uno board we can use all the 8 pins effectively. Arduino uno board has analog/digital (pwm) pins. Despite the size, arduino nano packs in more or less the same features as uno. There are a couple ways to do this: This arduino uno pinout diagram reference will hopefully help you get the most out of this board. The simplest way to achieve this end is as follows. In our last two posts, we focused on the software aspects of the arduino. These digital input/outputs operate at 3.3v. But the arduino development system needs to be told how to relate the arduino friendly pin names to the gpio pin numbers. Diy arduino mega 2560 episode 01 pin maps hd youtube. You can use arduino or any usb to ttl serial converter to program it. Arduino uno pinout / pin mapping [total: #define one_wire_bus 5 // this works on d3 (or is it d15, confusing markings on board, see the image) #define one_wire_bus 4 // this works on d4 others than those 5 and 4, i cant find, cant figure out pins for those.

Arduino mega tutorial pinout and schematics mega 2560 arduino uno pinout. I can find these pinouts from google but cant figure out for my case.

Comments